|
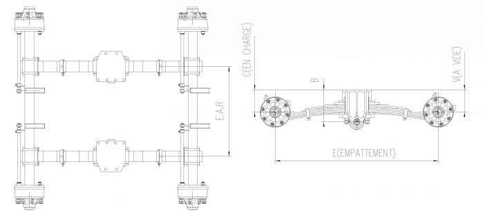
Type |
Max.Capacity |
Beam |
Leaf spring (mm) |
Wheel Base |
B |
D MXA |
V |
C |
|
mm |
mm |
mm |
mm |
mm |
|
HS09XC1-00 |
9000 |
□70 |
6/3-100X14 |
1200 |
130 |
500 |
100/120 |
40/60 |
|
HS10XC1-00 |
10000 |
□80 |
7/3-100X14 |
1200 |
130 |
500 |
110/130 |
50/70 |
|
HS12XC1-00 |
12000 |
□90 |
5/3-120X20 |
1370 |
250 |
500 |
115/135 |
55/75 |
|
HS14XC1-00 |
14000 |
□90 |
6/3-120X20 |
1370 |
250 |
500 |
110/130 |
50/70 |
|
HS16XC1-00 |
16000 |
□90 |
7/3-120X20 |
1370 |
280 |
500 |
140/160 |
80/100 |
|
HS16XC1001-00 |
16000 |
□90 |
8/3-120X20 |
1450 |
310 |
500 |
160 |
100 |
|
HS18XC1-00 |
18000 |
□100 |
8/4-120X20 |
1450 |
6310 |
500 |
165 |
105 |
|
HS23XC1-00 |
23000 |
□120 |
11/4-120X20 |
1750 |
370 |
600 |
225/235 |
165/175 |
|
HS23XC1001-00 |
23000 |
□150 |
11/4-120X20 |
1750 |
370 |
600 |
210/220 |
150/160 |